Ako maturitnú prácu som robil laboratórny stabilizovaný zdroj lineárny s reguláciou napätia a s obmedzením prúdu čiže je tiež zdroj konštantného prúdu taký to zdroj som potreboval na moje pokusy a oživovanie obvodov.
Obhájil som ho na 1-čku :D.
po nažehlení toneru sa odmáča papier
nažehlení toner z laserovej tlačiarne (150-200°C)
leptanie v chloride železitom
vyleptane cestičky
test
osádzanie súčiastok
prevíjanie transformátora
chladič
pohľad na kabeláž
panelový voltmeter
návrh dosky plošných spojov DPS a porovnanie s originálom

Zaťažovacia charakteristika
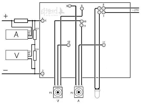
zapojenie
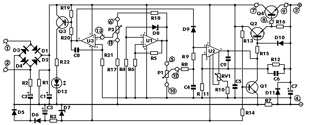
schéma zdroj:



ta zmenšená doska logom je milá.a prečo si prevíjal? tiež optimalizácia minimalizáciou?